月別アーカイブ: 2021年6月
知能ロボットが主催の自由工房トレース大会に出場します!
マイクロマウス3回の合田です!
現在、知能ロボットプロジェクトが主催をする自由工房内のトレース大会に出場しようと考えています!
機体は以前から使用している「てくてくねずみ3」を改造し、ライントレースができるようにします。
できあがった機体はこんな感じです! 突貫で作成したので取り付けが甘いです。時間があれば変更しようかなとは思っています。(3枚目は変更前のてくてくねずみ3です。)



カテゴリー: マイクロマウス
自作マウスを作っています!(3)
マイクロマウス3回の合田です!
自作マウスの進捗を報告します!
今回は、以前から気になっていたセンサーまわりの回路がうまく動くのかどうかの確認をしました。
やり方としてはブレッドボード上で回路を作成し、Pi-Co3に使われているRX-631ボードでセンサーが動いているのかを確認します。
結果としてはうまく出来ませんでした。ブレッドボード上でミスをしているのか、そもそも回路図から間違えているのかはまだわかりません。
はやく原因を究明して回路図を完成させてしまいたいです!

カテゴリー: マイクロマウス
鈴鹿サーキットで走行会を行いました
6月7日(月)に鈴鹿サーキットでソーラーカーレースの走行会を行いました。
無事にサーキットのコースを走りきることができました!




これから7月末のソーラーカー本線に向けて活動していきます!!
カテゴリー: EV班
ライントレーサー部内大会開催
知能ロボコンがコロナの影響により去年に引き続き延期となってしまいました。大会の延期や中止が続きモチベーションが維持しにくい状況が続いていたため自分たちで部内大会を開催することになりました。競技内容はライントレーサーを使い誰が一番速くコースを走りきれるかを競います。またタイムだけでなく各個人の機体についてプレゼンを行い誰が一番上手く発表できるかを投票で決めます。コースは過去のロボトレースのコースをプラスチックダンボールで再現しタイムの計測器も自作しました。最速目指して頑張ります!

カテゴリー: 知能ロボコン
自作マウスを作っています!(2)
マイクロマウス3回の合田です!
自作マウスの進捗具合を報告します!
今回は足回りの部品を購入しました!ですが、調査不足で予想していたようになりませんでした。悔しいです。次はきちんと調べてから購入しようと思います。


カテゴリー: マイクロマウス
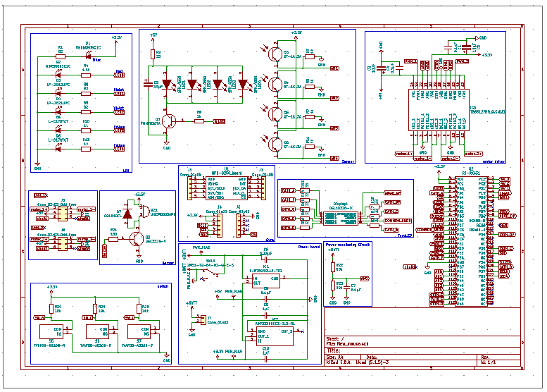
自作マウスを作っています!(1)
マイクロマウス3回の合田です!今回からは自分の自作マウスの作成の進捗をご紹介します!
回路図はこのようにしようと思います!
センサーの部分などが心配なので変更するかもしれませんが、大きくは完成にします。
次は基板に起こしていきたいと思います。

カテゴリー: マイクロマウス
またまた遅れました!!!Reチームその後
遅れてしまいすみません。。。お待たせしました。Reチームの進捗です。
一号機、参号機ともに活動時間の制限される中、懸命に確実に製作しています。今後もご期待ください!

DSC_1340
カテゴリー: レスコン
知能ロボコン中止
先日公式サイトから知能ロボットコンテストの延期が発表されました。現状では感染者が減少しつつありますが今後の状況次第ではどうなるかわからない状態です。作ってきたロボットを大会に出すことが出来ず非常に残念です。

カテゴリー: 知能ロボコン
技術講習会を行いました!!
先日、自由工房に入ってくれた新1年生のために技術講習会を行いました。
まだ、コロナが続き活動制限がありますが、
引き続き製作、指導を頑張っていきたいと思います。

カテゴリー: 活動報告




